
設計標準:CB 1285
法蘭連接尺寸: CB/T 64
結構長度:GB/T 12221-1989
壓力試驗:GB/T 13927-92; JB/T 9092-1999
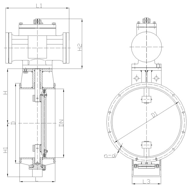
承質船用氣動蝶閥廣泛應用于船舶、艦艇、游輪及海洋工程管路系統,由于船舶和海洋工程上管路空間及環境的限制,普通蝶閥操作及環境無法全部滿足和適應其需求。本產品體積小,占有空間有限,并可進行遠程控制操作,還可以和遙控系統連接后進行遠程遙控作業,如船上氣源及電源出現失源狀態時,該類產品同時可在就地進行蝶閥啟閉工作,本產品資源采集簡單方便(壓縮空氣),蝶閥啟閉靈敏(啟閉速度1-3秒鐘),遠程控制系統配有啟閉狀態信號顯示,故障報警和低壓報警等原件,還可通過接口接入微機進行遠程控制操業。承質產品有遠程控制箱、控制按鈕、氣動驅動頭、就地操作驅動機構,行程限位開關,閥體、蝶板、閥桿、座圈等部件組成,產品可提供符合ISO標準、JIS標準和GB標準和各種規格供用戶選擇。
| 設計制造 | 連接法蘭 | 檢驗與試驗 |
|---|---|---|
| CB 1285 | JB/T919 GB/T6070 CB/T64 | JB/T1079 JB/T6446 |
| 零件名稱 | 閥體和蝶板 | 構件 | 密封墊(閥體、蝶板) |
|---|---|---|---|
| 材料 | 鑄鐵,鑄鋼,不銹鋼,青銅 | 2Cr13 | 丁腈橡膠 |
| 不銹鋼,青銅 | 不銹鋼 | 丁腈橡膠/氟橡膠 |
氣動通風蝶閥,生產標準日標JIS、公稱壓力:5K、10K、16K、PN、6PN1、0PN16、ANSI150、LB300LB,公稱通徑DN50-DN1200,閥體材質:球墨鑄鐵QT450、鑄鋼ZG230-450、不銹鋼SUS、青銅BZ,閥板:不銹鋼SUS、青銅BZ,閥座:丁晴橡膠NBR,聚四氟乙烯:PTFE、三元乙丙橡膠EPDM、氟橡膠FKM。


聲明:
本文中所有文字、數據、圖片均只適用于參考。需要查看更多的船用氣動通風蝶閥性能參數、結構尺寸參數、價格等詳情,或要求高質量印刷樣本,請聯系我們。
· 電話:18717746989
· 郵箱:sales@shczvalve.com
承質訂貨須知:
一、A:產品名稱、型號、公稱通徑B:介質及溫度、壓力范圍C:是否有附件、交貨期、特殊要求等以便我們的為您正確選型。
二、若已經由設計單位選定我公司的閥門型號,請您根據閥門參數直接與我們銷售中心訂購。
三、當您使用的場合非常重要或環境比較復雜時,請您提供設計圖紙和詳細參數,我們的工程師專家會為您審核與分析。我們可以為您提供解決方案,包括設計、定做、成套、運行、服務。我們一直致力于閥門行業領域,為您提供船用閥門知識、服務、技術顧問。
感謝您訪問我們的網站【www.sushenghong.com】,如有任何疑問,您可以致電給我們,我們一定會盡心盡力為您提供服務。本廠提供船用蝶閥、船用閘閥、船用止回閥、船用調節閥、船用減壓閥、船用呼吸閥、高速透氣閥、船用快關閥、船用自閉閥、船用旋塞閥、船用消防閥、船用通海閥、船用防浪閥、船用濾器、船用空氣帽、船用球閥、船用截止閥、船用截止止回閥、船用閥組、船用截止閥箱、船用針型閥、船用電磁閥、船用隔膜閥、船用壓力表閥等各類船用閥門,不銹鋼閥門。