
其主要特點為:
設計新穎,合理,結構獨特,重量輕,操作方便,啟閉迅速;
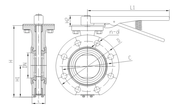
手柄法蘭蝶閥除了能作調節和截流作用,補償管道溫差所產生的熱脹冷縮功能外,還能為安裝更換、維修提供方便;
密封部位可調節更換,密封性能可靠等特點。
船用手柄法蘭蝶閥GB/T3036-94,生產標準:國標GB/CB、日標JIS、美標ANSI、德標DIN、公稱壓力:5K、10K、16K、PN、6PN1、0PN16、ANSI150、LB300LB,公稱通徑DN50-DN1200,閥體材質:球墨鑄鐵QT450、鑄鋼ZG230-450、不銹鋼SUS、青銅BZ,閥板:不銹鋼SUS、青銅BZ,閥座:丁晴橡膠NBR,聚四氟乙烯:PTFE、三元乙丙橡膠EPDM、氟橡膠FKM。
設計標準:GB/T3036-1994
法蘭連接尺寸:GB/T9113.1-2000; GB/T9113.2-2000; GB/T9115.1-2000; GB/T9115.2-2000
壓力試驗:GB/T 13927-1992; JB/T 9092-1999
船用手柄法蘭蝶閥,生產標準:國標GB/CB、日標JIS、美標ANSI、德標DIN、公稱壓力:5K、10K、16K、PN、6PN1、0PN16、ANSI150、LB300LB,公稱通徑DN50-DN1200,閥體材質:球墨鑄鐵QT450、鑄鋼ZG230-450、不銹鋼SUS、青銅BZ,閥板:不銹鋼SUS、青銅BZ,閥座:丁晴橡膠NBR,聚四氟乙烯:PTFE、三元乙丙橡膠EPDM。
| 公稱通徑 | DN | 50~2000 | ||
|---|---|---|---|---|
| 公稱壓力 | PN | 0.6 | 1.0 | 1.6 |
| 試驗壓力 | 強度實驗 | 0.9 | 1.5 | 2.4 |
| 密封實驗 | 0.66 | 1.1 | 1.76 | |
| 氣密封實驗 | 0.6 | 0.6 | 0.6 | |
| 使用溫度 | ≤80℃ | |||
| 適應介質 | 空氣、海水、蒸汽、煤氣、油品等 | |||
| 驅動形式 | 手動、蝸桿蝸輪傳動、氣傳動、電傳動 | |||
| 零件名稱 | 材料 |
|---|---|
| 閥體 | 鑄鐵、鑄鋼、不銹鋼鉻、鉬鋼、合金鋼 |
| 蝶板 | 鑄鋼、合金鋼、不銹鋼、鉻鉬鋼 |
| 密封圈 | 橡膠、聚四氟、聚內脂、不銹鋼 |
| 閥桿 | 2Cr13、不銹鋼、鉻鉬鋼 |
| 伸縮管 | 鑄鐵、鑄鋼、不銹鋼、鉻鉬鋼 |
| 填料 | 柔性石墨 |


聲明:
本文中所有文字、數據、圖片均只適用于參考。需要查看更多的船用手柄法蘭蝶閥GB/T3036-94性能參數、結構尺寸參數、價格等詳情,或要求高質量印刷樣本,請聯系我們。
· 電話:18717746989
· 郵箱:sales@shczvalve.com
承質訂貨須知:
一、A:產品名稱、型號、公稱通徑B:介質及溫度、壓力范圍C:是否有附件、交貨期、特殊要求等以便我們的為您正確選型。
二、若已經由設計單位選定我公司的閥門型號,請您根據閥門參數直接與我們銷售中心訂購。
三、當您使用的場合非常重要或環境比較復雜時,請您提供設計圖紙和詳細參數,我們的工程師專家會為您審核與分析。我們可以為您提供解決方案,包括設計、定做、成套、運行、服務。我們一直致力于閥門行業領域,為您提供船用閥門知識、服務、技術顧問。
感謝您訪問我們的網站【www.sushenghong.com】,如有任何疑問,您可以致電給我們,我們一定會盡心盡力為您提供優質的服務。本廠提供船用蝶閥、船用閘閥、船用止回閥、船用調節閥、船用減壓閥、船用呼吸閥、高速透氣閥、船用快關閥、船用自閉閥、船用旋塞閥、船用消防閥、船用通海閥、船用防浪閥、船用濾器、船用空氣帽、船用球閥、船用截止閥、船用截止止回閥、船用閥組、船用截止閥箱、船用針型閥、船用電磁閥、船用隔膜閥、船用壓力表閥等各類船用閥門,不銹鋼閥門。