
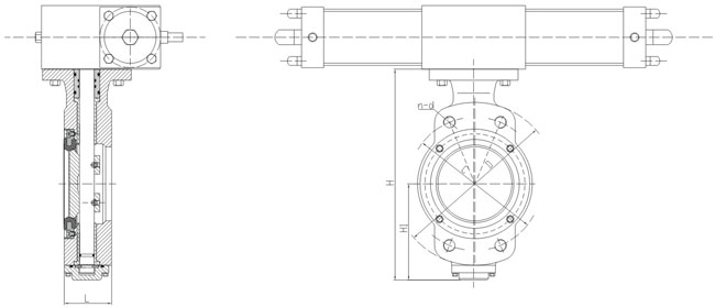
閥門液動裝置安裝在閥門主動軸上。閥門主動軸上用鍵固定了傳動花鍵, 曲柄(帶有外花鍵) 空套在主動軸上。在液壓系統正常工作時, 通過齒套, 傳動花鍵與曲柄連接。這樣液壓缸帶動曲柄, 曲柄上的花鍵利用齒套將力矩傳遞給傳動花鍵。因傳動花鍵又固定在主動軸上, 故主動軸旋轉并帶動閥門蝶板啟閉。
第一,可以實現高效的電磁動作。設備內置推桿可以快速的起到緩沖的效果,在高壓力的作用下依然可以確保平穩無聲的運轉,而且設備的內部是擁有滑芯的,可以快速的消除推桿之間因為摩擦而導致的漏油情況。
第二,液壓閥的閥體多數采用的都是特殊的設計,可以讓內部受到的阻抗更小,從而讓能源得到高效的利用,與現在的節能理念是非常吻合的,所以受到了更多人的推崇。
第三,液壓閥可以通過對于油溫的控制減少設備的故障,從而節省大部分的維修費用,因為內部的溫度都通過智能系統控制在可靠的范圍內,所以不會因為熱量過高而出現加工精度方面的誤差。
液壓閥工作原理和液壓閥特點在上文中已經做出全面的介紹了,液壓閥安裝起來也是非常的方便的,多數采用的都是螺絲固定的方式出現問題的時候可以快速的拆裝,設備內部的電氣接線預留的空間也相對來說比較大,可以更方面測試和接線,接線處也進行了防水防塵的處理可以確保設備長期使用無故障。


聲明:
本文中所有文字、數據、圖片均只適用于參考。需要查看更多的船用日標中心型液壓遙控蝶閥F7480性能參數、結構尺寸參數、價格等詳情,或要求高質量印刷樣本,請聯系我們。
· 電話:18717746989
· 郵箱:sales@shczvalve.com
承質訂貨須知:
一、A:產品名稱、型號、公稱通徑B:介質及溫度、壓力范圍C:是否有附件、交貨期、特殊要求等以便我們的為您正確選型。
二、若已經由設計單位選定我公司的閥門型號,請您根據閥門參數直接與我們銷售中心訂購。
三、當您使用的場合非常重要或環境比較復雜時,請您提供設計圖紙和詳細參數,我們的工程師專家會為您審核與分析。我們可以為您提供解決方案,包括設計、定做、成套、運行、服務。我們一直致力于閥門行業領域,為您提供船用閥門知識、服務、技術顧問。
感謝您訪問我們的網站【www.sushenghong.com】,如有任何疑問,您可以致電給我們,我們一定會盡心盡力為您提供服務。本廠提供船用蝶閥、船用閘閥、船用止回閥、船用調節閥、船用減壓閥、船用呼吸閥、高速透氣閥、船用快關閥、船用自閉閥、船用旋塞閥、船用消防閥、船用通海閥、船用防浪閥、船用濾器、船用空氣帽、船用球閥、船用截止閥、船用截止止回閥、船用閥組、船用截止閥箱、船用針型閥、船用電磁閥、船用隔膜閥、船用壓力表閥等各類船用閥門,不銹鋼閥門。